電動閥門
     
            
       
電壓:AC 220V   DC 24V
規格:1/2"--4"(DN15-DN100 / 20mm—110mm)
標準:DIN/ANSI/JIS/CNS
工作壓力: 150 PSI 
操作溫度: PVC(0~55℃); CPVC & PP(0~95℃) 
材質: PVC, CPVC,  PP
連接: 插口, 螺紋(NPT,PT,BSPF), 熔接, 焊接
優點
球閥閥體均用高精度數控機床加工成型,確保產品精度。
球閥閥體與閥桿裝配的孔均采用高級鏜孔機精密加工,確保其密封性。
球閥每個球體均先用數控機床車削,使球體圓度控制在0.05mm以內,再采用專用研磨機研磨,確保球閥在開關時順暢且不用太費力,確保不易泄漏。
球閥的每個止瀉環都依球體的圓度進行車削和拋光,使其與球體緊密結合,增長其使用壽命,并確保其密封性。
每個產品的平承部份均用高精度數控車床車加工,確保平承與“○”型圈的緊密結合。
為了使特帕和“○”型圈能確實壓緊,殘留在調整座上的注塑澆口,每個都用砂輪機磨平。
 
	
		
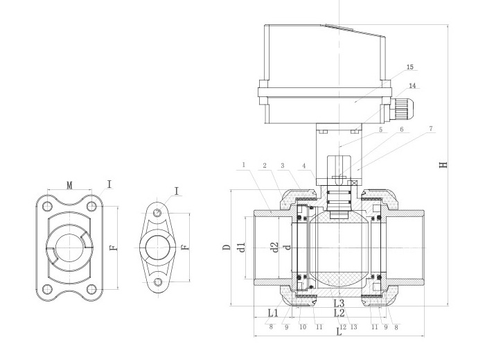
			| 序號 | 名稱 | 材質 | 數量 | 單位 | 
		
			| 3\4\8\9 | oring圈 | EPDM∕VITON | 7 | pcs | 
		
			| 01 | 平承口 | UPVC∕CPVC∕PPH | 2 | pcs | 
		
			| 02 | 螺帽 | UPVC∕CPVC∕PPH | 2 | pcs | 
		
			| 05 | 轉接頭 | SUS304 | 1 | pcs | 
		
			| 06 | 桿 | UPVC∕CPVC∕PPH | 1 | pcs | 
		
			| 07 | 支架 | UPVC/ SUS304 | 1 | pcs | 
		
			| 10 | 內襯 | UPVC∕CPVC∕PPH | 1 | pcs | 
		
			| 11 | 止瀉環 | PTFE | 2 | pcs | 
		
			| 12 | 球 | UPVC∕CPVC∕PPH | 1 | pcs | 
		
			| 13 | 本體 | UPVC∕CPVC∕PPH | 1 | pcs | 
		
			| 14 | 螺絲 | SUS304 | 6-8 | pcs | 
		
			| 15 | 電動頭 | SUS304 | 1 | pcs | 
	
 
	UNIT:MM
	
		
			| SIZE | D | D1 | D2 | 
		
			| ANSI | DIN | JIS | CNS | ANSI | DIN | JIS | CNS | 
		
			| 1/2"(15) | 15 | 21.40 | 20.25 | 22.30 | 22.40 | 21.25 | 20.05 | 21.85 | 21.90 | 
		
			| 3/4"(20) | 20 | 26.75 | 25.25 | 26.30 | 26.40 | 26.58 | 25.05 | 25.85 | 25.90 | 
		
			| 1"(25) | 25 | 33.52 | 32.25 | 32.33 | 34.50 | 33.28 | 32.05 | 31.85 | 33.90 | 
		
			| 1-1/4"(32) | 32 | 42.28 | 40.25 | 38.43 | 42.50 | 42.05 | 40.05 | 37.85 | 41.90 | 
		
			| 1-1/2"(40) | 40 | 48.40 | 50.25 | 48.46 | 48.60 | 48.12 | 50.05 | 47.75 | 47.90 | 
		
			| 2"(50) | 50 | 60.45 | 63.25 | 60.56 | 60.60 | 60.18 | 63.05 | 59.75 | 59.90 | 
		
			| 2-1/2"(65) | 63 | 73.30 | 75.25 | 76.60 | 76.70 | 72.85 | 75.05 | 75.87 | 75.90 | 
		
			| 3"(80) | 75 | 89.25 | 90.35 | 89.60 | 89.70 | 88.70 | 90.05 | 88.83 | 88.90 | 
		
			| 4"(100) | 90 | 114.60 | 110.35 | 114.70 | 115.00 | 114.10 | 110.05 | 113.98 | 113.80 | 
	
 
	UNIT:MM
	
		
			| SIZE | D | L | L1 | L2 | L3 | H | F | M | I | Operating torque(N.M) | 
		
			| 1/2"(15) | 54.00 | 106.00 | 23.00 | 60.00 | 52.00 | 148.00 | 31.00 | - | M6 | 2.0 | 
		
			| 3/4"(20) | 63.00 | 114.00 | 26.00 | 62.00 | 54.00 | 153.00 | 33.00 | - | M6 | 2.5 | 
		
			| 1"(25) | 73.50 | 128.00 | 29.00 | 70.00 | 62.00 | 184.00 | 40.00 | - | M6 | 4.0 | 
		
			| 1-1/4"(32) | 84.50 | 144.00 | 33.00 | 78.00 | 70.00 | 190.00 | 52.00 | - | M8 | 5.0 | 
		
			| 1-1/2"(40) | 98.00 | 158.50 | 35.50 | 87.50 | 79.50 | 196.00 | 52.00 | - | M8 | 7.5 | 
		
			| 2"(50) | 118.00 | 172.00 | 38.50 | 95.00 | 85.00 | 245.00 | 70.00 | - | M8 | 8.5 | 
		
			| 2-1/2"(65) | 150.00 | 278.00 | 64.50 | 144.50 | 132.50 | 287.00 | 84.00 | 45.00 | M10 | 13 | 
		
			| 3"(80) | 169.00 | 310.00 | 70.00 | 166.00 | 150.00 | 296.00 | 84.00 | 45.00 | M10 | 16 | 
		
			| 4"(100) | 190.00 | 352.00 | 84.00 | 181.00 | 157.00 | 330.00 | 121.00 | 49.00 | M12 | 25 |