13776369668
武峰管道
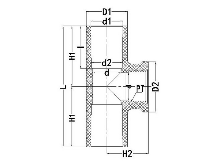
|  |  | 
| Nominal | Socket Type | Structural Diameter | ||||||||
| SIZE | d1 | d2 | I | D1 | D2 | d | H1 | H2 | L | PT(牙/寸) | 
| 1/2" | 22.40 | 21.52 | 30.0 | 29.5 | 32.5 | 18.0 | 42.0 | 28.0 | 84.0 | 14 | 
| 3/4" | 26.45 | 25.42 | 35.0 | 34.0 | 42.0 | 23.5 | 50.0 | 34.0 | 100.0 | 14 | 
| 1" | 32.55 | 31.37 | 40.0 | 41.0 | 50.0 | 30.0 | 58.0 | 39.0 | 116.0 | 11 | 
相關產品